Categories

Home | Login / Register | P & P | Terms | About Us | Contact Us
Your Basket
Total (ex VAT & Del): £0.00
Go to Basket Back to top
Search
Search by part or description
 

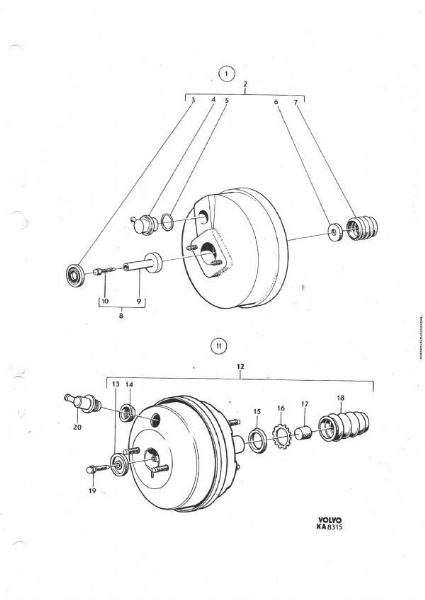
Volvo 140 / 164 - G) Brakes - H) Brake Servo.

VAT included at 20%

  Part Number Model Price  
View BBBBBBBBB PLEASE CHECK WHICH TYPE SERVO IS FITTED TO YOUR CAR. IF NOT SURE PLEASE CONTACT US WITH YOUR CHASSIS NUMBER £0.00
View B1387640 REPRODUCTION BRAKE SERVO. BRAKE SERVO ITEM 1 IN ABOVE PICTURE. FITS B18/B20 MODELS, NB: WILL NOT FIT 1974 FUEL INJECTION MODELS. £180.00
View 273077 BRAKE SERVO REPAIR KIT. ITEM 2 IN ABOVE PICTURE. ONLY SEALS NO RETURN VALVE. £22.74
View 273234 BRAKE SERVO SEAL KIT. USE WITH VALVE 687495. FITS 1971 ON 142 144 145 MODELS. ITEM 12 IN SERVO PICTURE. £27.00
View 9485451 INLINE BRAKE SERVO ONE WAY VALVE. VOLVO SUGGEST YOU CAN USE TO REPLACE CHECK VALVE ITEM 4 IN ABOVE PICTURE. TAKE MIDDLE OUT OF OLD VALVE PUT BACK AND THEN CUT THIS INTO SERVO HOSE. £13.14
View 687495 BRAKE SERVO ONE WAY VALVE. USE RUBBER SEAL 687494 or SERVO SEAL KIT 273234. FITS 1971 ON 142 144 145 MODELS. ITEM 20 ON ABOVE PICTURE. £54.00
View 687494 ## Discontinued parts ## BRAKE SERVO CHECK VALVE RUBBER SEAL. FIT WITH VALVE 687495. 142 144 145 MODELS 1971 ON. ALSO IN KIT 273234. ITEM 14 ON THE ABOVE PICTURE. £0.00
View B680476 BRAKE SERVO HOSE ONEWAY VALVE. FITS ALL MODELS. £15.60
View B419446 BRAKE SERVO HOSE/ENGINE BREATHER BOX HOSE T PEICE. USED TO JOIN ENGINE BREATHER HOSE AND BRAKE SERVO HOSE TO INLET MANIFOLD. £6.60
View 943199 BRAKE SERVO HOSE SCREW IN MANIFOLD UNION. £11.94
View B943707 BRAKE SERVO HOSE. SOLD BY THE METRE. £15.54
View 32214957 GENUINE VOLVO 250ml DOT 4 BRAKE FLUID. £7.14
View 32214958 GENUINE VOLVO 800ml DOT 4 BRAKE FLUID. £19.14
Login / Register | P & P | Terms | About Us | Contact Us | Your Basket
Search by part or description